Giới thiệu cảm biến chênh áp Sensys DPL
Cảm biến chênh áp Sensys DPL là dòng cảm biến có màn hình hiển thị dùng để đo áp suất chênh lệch, đo áp suất chân không, áp suất tương đối và đặc biệt là áp suất thấp của khí không ăn mòn hoặc không khí.
Thông số kỹ thuật của cảm biến chênh áp Sensys DPL

Cảm biến chênh áp Sensys DPL
Phạm vi dải đo: 0~300, 500Pa / 1, 2, 5, 10, 20, 50, 100kPa
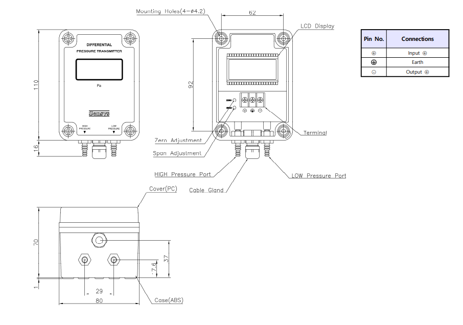
Cấp chính xác: ±0.5%
Phạm vi nhiệt độ hoạt động: -10 tới 70℃
Màn hình hiển thị: ±1999(3 1/2) Digit LCD
Nguồn cấp: 14 ~ 28VDC
Output: 4~20mA (2Wire)
Kết nối điện: Cable Gland
Cổng kết nối áp suất: 1/8", 3/16" Nipple
Vật liệu tiếp xúc trực tiếp với môi chất: Đồng thau (mạ niken), SiO2, Cao su Si
Cấp bảo vệ: IP66
Trọng lượng xấp xỉ 350g

Ứng dụng của cảm biến chênh áp Sensys DPL
Cảm biến chênh áp Sensys DPL được sử dụng trong những ứng dụng như:
- Đo lưu lượng không khí
- Áp suất tĩnh trong phòng
- Hộp VAV
- Điều khiển phòng thí nghiệm/tủ hút khí độc
- Điều khiển phòng sạch
Cần hỗ trợ tư vấn vui lòng liên hệ Mr Hoàng: 0919 914 138
Tham khảo thêm các sản phẩm cảm biến chênh áp Sensys khác tại: CẢM BIẾN ÁP SUẤT
---------------------------------------------------
Tag: đồng hồ đo áp suất wise, áp kế wise, đồng hồ áp suất màng wise, đồng hồ áp suất có tiếp điểm điện, đồng hồ áp suất thấp wise, dong ho do ap suat han quoc, đồng hồ nhiệt độ wise, nhiệt kế thủy ngân chữ L, nhiệt kế wise chữ I, đồng hồ đo nhiệt độ dạng dây, đồng hồ nhiệt độ có tiếp điểm điện wsie, dong ho nhiet do chan sau, dong ho do nhiet do chan dung, đo áp suất wise, cảm biến áp suất wise, cảm biến áp suất sensys, thiết bị báo mức wise, đồng hồ đo lưu lượng khí nén CS, đồng hồ đo lưu lượng khí CO2, phụ kiện cho đồng hồ áp suất wise, phụ kiện cho đồng hồ nhiệt độ wsie,